
ARN 4830 roulement à rouleaux à aiguille
Envoyez demande
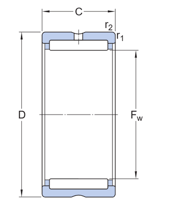
Product Details ofARN 4830 roulement à rouleaux à aiguille
Description des produits
![]() |
Nom de roulement | ARN 4830 |
| Classification des produits | Roulement à rouleaux à aiguille | |
| Diamètre de l'alésage | 165 mm | |
| Diamètre extérieur | 190 mm | |
| Largeur | 40 mm | |
| Note de charge dynamique de base | 147 kN | |
| Note de charge statique de base | 415 kN | |
| Limite de charge de fatigue | 46,5 kN | |
| Vitesse de référence | 2400 r / min | |
|
Vitesse limitative |
2800 r / min | |
| Masse | 1,6 kg |
Application:
Les roulements d'ARN 4830 sont largement utilisés dans les champs suivants en raison de leurs caractéristiques de conception et de performance:
- Composants du dispositif électrique: utilisés dans les moteurs, générateurs et autres équipements pour prendre en charge le fonctionnement stable des pièces rotatives.
- Pompes d'injection de carburant: utilisées dans les systèmes de carburant pour résister à des conditions de haute pression et à grande vitesse.
- Dispositifs de réduction et dispositifs de réduction des engrenages: utilisés dans les systèmes de transmission mécanique pour réduire la vitesse et transmettre le couple.
- Machines de menuiserie: telles que les pièces rotatives dans l'équipement de transformation du bois.
- GRANS DE DRILLAGE OLIQUE: Utilisé comme composants clés de l'équipement de forage pour prendre en charge les charges élevées et les conditions d'impact.
- Arbres d'hélice du navire: supporter des charges élevées et une corrosion dans les environnements d'eau de mer.
- Machines chimiques fines: utilisées dans l'équipement chimique pour prendre en charge les pièces rotatives de haute précision.
- Machines de démantèlement: Utilisé dans le démantèlement mécanique des équipements pour résister à des charges et des impacts élevés.
Méthode d'expédition


Notre entrepôt et notre emballage:



étiquette à chaud: ARN 4830 roulement à rouleaux à aiguille, Chine RNA 4830 Fabricants de roulements à rouleaux à aiguille, fournisseurs, Roulements à rouleaux de courroie de convoyeur, Roulements à rouleaux de machines de transformation des aliments, Maintenir et réparer les roulements à rouleaux, Roulements à rouleaux de machines d'emballage, Roulements à rouleaux de machines textiles, Prises à rouleaux d'équipement d'entrepôt
Une paire de
ARN 4832 Roulement à rouleaux à aiguilleUn article
ARN 4928 Roulement à rouleaux à aiguilleEnvoyez demande
