
29413 E Palier de butée à rouleaux sphériques
Il possède la charge nominale la plus élevée de tous les roulements de butée, permettant des montages de roulements compacts et à haute densité de puissance.
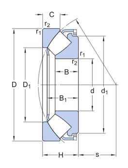
affichage du dessin et taille du roulement
|
|
Portant le nom |
29413 E |
| Classement des produits | Butée à rotule sur rouleaux | |
| Diamètre d'alésage | 65 millimètres | |
| Diamètre extérieur | 140 millimètres | |
| Hauteur | 45 mm | |
| Type de cage | Tôle | |
| Charge dynamique de base | 455 kN | |
| Charge statique de base | 1080 kN | |
| Limite de charge de fatigue | 137 kN | |
| Vitesse de référence | 2600 tr/min | |
| Limitation de vitesse | 4800 tr/min | |
| Roulement de masse | 3,13 kg |
Caractéristiques et applications des roulements
Les roulements 29413 E sont capables de résister à des charges axiales extrêmement élevées et à des charges radiales considérables. En combinant deux ou plusieurs butées à rotule sur rouleaux, les roulements peuvent avoir une fonction d'auto-alignement (permettant un désalignement de l'arbre) ou une configuration de roulement très rigide.
Le 29413 E convient aux équipements devant résister à des charges combinées axiales et radiales élevées, tels que les véhicules ferroviaires, les compresseurs d'air, les moteurs d'automobiles, les grosses machines agricoles, les tamis vibrants, les motoculteurs, les fonderies, les machines pour fibres chimiques, les machines de traitement des fondations, etc.
À propos de l'expédition





étiquette à chaud: 29413 e roulement de butée à rotule sur rouleaux, Chine 29413 e roulement de butée à rotule sur rouleaux fabricants, fournisseurs, Choix de porte minces roulements de section, Anneau d'allocation pour les grues, joint d'arbre de grand diamètre, Roulements à rouleaux de machines textiles, Roueur linéaire pour les rainures, Anneau d'allumage de haute qualité
Envoyez demande
